Neubauinfos.de
Navigation

  
Treppenplanung
Zur Stichwortsuche


Treppenplanung im Eigenheim: Trittfeste Verbindung, stufenweise Sicherheit

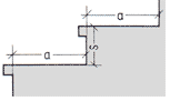
Verschiedene Normen sorgen dafür, dass eine Treppe gut, mit wenig Kraftaufwand und nicht zuletzt sicher zu begehen ist. Die DIN 18065 schreibt beispielsweise Mindest- und Höchstmaße vor, die jede Treppe zu dauernd bewohnten Räumen erfüllen muss. Die Schrittmaßregel legt das Verhältnis von Steigung (Stufenhöhe; s) und Auftritt (a) fest. Addiert man die doppelte Steigung zur einfachen Länge des Auftritts hinzu (2•s+a), sollte sich eine Summe von 60 bis 63 cm ergeben. Eine komfortable geradläufige Wohnungstreppe benötigt eine Steigung von etwa 18 cm und einen Auftritt von 27 cm (2•18+ 27=63). Abhängig von der üblichen Geschosshöhe (in der Regel 260 bis 290 cm) und unter Einhaltung der Schrittmaßregel haben die meisten Treppen im Einfamilienhaus 14 bis 16 gleichmäßige Stufen. Weitere Vorschriften:

  • Die nutzbare Breite muss wenigstens 80 cm,

  • die lichte Durchgangshöhe zwei Meter betragen.

  • Das Geländer muss mindestens 90 cm hoch sein.

Der Platzbedarf einer Treppe ergibt sich neben diesen Maßen aus der gewählten Form. Beispiele für einen Meter breite, bequeme Varianten mit dazugehöriger Verkehrsfläche: Die halbgewendelte Treppe kommt mit 6,3 m² aus, eine enge Podesttreppe mit 7,5 m² und die Spindeltreppe 8 m². Den größten Platzbedarf haben mit 12 m² die geradläufige Treppen und die Podesttreppe mit Aufgängen im rechten Winkel. Je steiler die Treppe, um so weniger Platz braucht sie. Spartreppen und Sambatreppen mit versetzten Stufen sind nur als Ersatz für Leitern und einschiebbare Treppen erlaubt.

Treppen können mehr oder weniger steil sein - wobei ein flacherer Anstieg mit mehr Stufen prinzipiell sicherer ist und zumindest dann berücksichtigt werden sollte, wenn Kinder und ältere Menschen mit im Haus wohnen. Bei Kleinkindern sind weitere Sicherheitsvorkehrungen wichtig. Das Geländer muss so gestaltet sein, dass der Nachwuchs nicht hochklettern kann, die Öffnungen zwischen den Stufen und den Geländerstäben sollten kleiner als 7,5 cm sein. Ebenfalls empfehlenswert: Geländertüren vor die Treppe montieren.

Starker Auftritt in allen Formen

Treppen passen sich als unersetzliches Element ganz selbstverständlich ein, eröffnen aber auch Perspektiven und bestimmen die räumliche Wirkung eines Hauses. Für welche Treppenform und welche Materialien man sich entscheidet, ist natürlich nicht zuletzt eine Geschmacksfrage. Neben der baulichen Ästhetik spielen aber auch der Nutzungskomfort und das Platzangebot eine Rolle:

  • Die Spindeltreppe ist ein beliebtes architektonisches Gestaltungsmittel. Frei im Raum stehend, verbindet sie Geschosse oder führt auf Galerien. Der Bauherr kann zwischen Massiv- und Hohlspindeltreppen wählen. Spindeltreppen wirken ausgesprochen großzügig, besitzen aber einen etwas geringeren Auftritt.

  • Bei der halbgewendelten Treppe mit 180-Grad-Wendelung werden die die Stufen "verzogen":

  

  • Die am Antritt viertelgewendelte Treppe führt häufig vom Eingangsbereich eines Einfamilienhauses in die oberen Stockwerke.

  • Die Winkeltreppe besitzt eine 90-Grad-Wendelung und ist recht bequem, benötigt

  • dafür aber auch ein größeres Treppenloch (2,50 x 2,50m) als die anderen

  • Treppenformen (2 x 2m).

  • Als Komfortvariante gilt die Podesttreppe. Sie besitzt ausschließlich gerade Stufen bei gleichem Auftritt und wird gern bei halbgeschossig versetzten Wohnungen verwendet.

Bei den Materialien hat der Bauherr eine große Auswahl. Holztreppen können massiv sein oder mit Verbundwerkstoffen kombiniert werden. Harthölzer wie Buche und Eiche halten auch großen Belastungen gut stand. Empfindliche Weichhölzer wie Fichte oder Tanne eignen sich dagegen eher für seltener begangene Bauteile. Im Wohntrend liegen auch Kombinationen von Holz mit Glaseinsätzen oder Edelstahl. Als Alternativen zum beliebten Holz bieten sich Stahl-, Glas- oder Betontreppen an. Stahltreppen sind extrem belastbar, aber nicht gerade Leisetreter. Im Wohnbereich empfiehlt es sich daher, die Trittgeräusche mit geräuscharmen Belägen zu dämpfen. Glastreppen gelten als Designertreppen und bestehen aus Sicherheitsgläsern oder Kunststoffverglasungen. Betontreppen sind besonders robust und können schon in der Rohbauphase betreten werden. Allerdings steht das genaue Maß für den Geschosszwischenraum noch nicht fest, solange die Fußböden fehlen. Das kann zu Problemen bei der Einhaltung der Schrittmaßregel führen.

weitere Fachbegriffe im Treppenbau (hier bei einer zweiläufigen Treppe):

  1. Wandwange

  2. Antritt

  3. innere Wange

  4. Krümmling

  5. Podestlänge

  6. Austritt

  7. Treppenhauswand

  8. Podestbreite

  9. Treppenauge

  10. Lauflänge

  11. Laufbreite

  12. Lauflinie

  13. Halbpodest (Treppenabsatz; Podestlänge ≥Laufbreite, jedoch ≥ 1,00m)

( Quelle: Bauzentrale.net / Fotos: Fuchs-Treppen 20070112 )


Schwedenhaus.de
Impressum